錛堜竴錛夊厜婧愬搧璐ㄦ柟闈?/h3>
閮庣壒縐戞妧鐨?0-10v 璋冨厜 led 鐏鍦ㄥ厜婧愬搧璐ㄦ柟闈㈣〃鐜板嚭鑹詫紝鍏墮噰鐢ㄤ簡楂樺搧璐ㄧ殑 LED 鍏夋簮錛岃兘澶熻緭鍑烘槑浜笖鑸掗傜殑鍏夌嚎錛屼負浣跨敤鑰呰惀閫犺壇濂界殑鐓ф槑鐜銆傝繖縐嶉珮鏄捐壊鎬х殑鍏夋簮錛岃兘鏇村姞鐪熷疄鍦拌繕鍘熺墿浣撶殑棰滆壊錛屾棤璁烘槸鍦ㄥ睍紺虹墿鍝佺殑灞曞巺錛岃繕鏄棩甯稿姙鍏佸眳瀹剁敓媧葷瓑鍦烘櫙涓紝閮藉彲浠ユ湁鏁堝湴鎻愰珮絀洪棿鐨勮垝閫傚害涓庡彲鐢ㄦс備緥濡傚湪涔︽埧浣跨敤鏃訛紝鑳借闃呰鑰呮洿娓呮櫚鍦扮湅鍒頒功鏈笂鐨勬枃瀛楀唴瀹癸紝鍚屾椂涔熻兘鍑忓皯鍥犲厜綰夸笉浣寵屼駭鐢熺殑瑙嗚鐤插姵錛涘湪鍟嗗満絳夊晢涓氬満鎵搴旂敤錛岃兘澶熸洿濂藉湴灞曠幇鍟嗗搧鐨勮壊娉戒笌璐ㄦ劅錛屽惛寮曢【瀹㈢殑鐩厜錛屽厖鍒嗗睍鐜板嚭鍏跺湪鐓ф槑鏁堟灉涓婄殑浼樺娍銆?/p>
錛堜簩錛夊澹沖強鏁g儹鎬ц兘
璇ヤ駭鍝佸湪澶栧3鍙婃暎鐑ц兘鏂歸潰涔熺嫭鍏峰尃蹇冿紝閫夌敤浜嗛摑鍚堥噾澶栧3絳変紭璐ㄦ潗璐ㄣ傞摑鍚堥噾鏈夌潃浼樿壇鐨勬暎鐑ц兘錛屽綋鐏闀挎椂闂村伐浣滀駭鐢熺儹閲忔椂錛岃兘澶熻繀閫熷湴灝嗙儹閲忔暎鍙戝嚭鍘伙紝浠庤屼繚璇佺伅綆″唴閮ㄧ殑 LED 鍏夋簮澶勪簬涓涓浉瀵歸傚疁鐨勫伐浣滄俯搴︾幆澧冿紝寤墮暱鍏朵嬌鐢ㄥ鍛姐傝屼笖錛岄摑鍚堥噾鏉愯川榪樺叿澶囪壇濂界殑鎶楄厫铓鎬э紝浣垮叾鑳藉閫傚簲澶氱涓嶅悓鐨勫鍐呯収鏄庡満鍚堬紝鍗充究鏄湪涓浜涚浉瀵規箍搴﹁緝楂樻垨鑰呮湁杞誨井鑵愯殌鎬х墿璐ㄥ瓨鍦ㄧ殑鐜涓紝涔熻兘淇濇寔鑹ソ鐨勬ц兘錛屼笉鏄撳嚭鐜扮敓閿堛佹崯鍧忕瓑鎯呭喌錛岃愮敤鎬ф瀬寮猴紝鍍忓湪鍘ㄦ埧銆佸崼鐢熼棿絳夊鏄撴疆婀跨殑鍖哄煙錛屾垨鑰呭伐鍘傝濺闂寸瓑澶嶆潅鐜涓兘鑳界ǔ瀹氫嬌鐢ㄣ?/p>
錛堜笁錛夐傜敤鍦烘櫙鍙婅妭鑳芥晥鏋?/h3>
鍦ㄥ疄闄呯殑搴旂敤鍦烘櫙涓紝閮庣壒縐戞妧鐨?0-10v 璋冨厜 led 鐏鍦ㄨ濡傛牸鏍呯伅絳夌収鏄庨鍩熷睍鐜板嚭浜嗚澶氫紭鍔褲傚畠鎷ユ湁鏇撮珮鐨勫厜鏁堬紝鐩告瘮涓浜涗紶緇熺殑鐓ф槑鐏錛屽彲浠ュ湪娑堣楃浉鍚岀數閲忕殑鎯呭喌涓嬫彁渚涙洿浜殑鍏夌嚎錛屽ぇ澶ф彁鍗囦簡鐓ф槑鏁堢巼銆傚悓鏃訛紝鍏墮暱浣跨敤瀵垮懡鐨勭壒鐐癸紝鍑忓皯浜嗛綣佹洿鎹㈢伅綆$殑楹葷儲浠ュ強鐩稿簲鐨勬垚鏈敮鍑恒備粠闀胯繙鏉ョ湅錛屾棤璁烘槸瀵逛簬瀹跺涵鐢ㄦ埛闄嶄綆鐢熸椿鎴愭湰錛岃繕鏄晢涓氬満鎵鎺у埗榪愯惀鎴愭湰錛岄兘鏈夌潃縐瀬鐨勪綔鐢ㄣ傝屼笖錛岃繖嬈劇伅綆¤兘澶熷緢濂藉湴婊¤凍涓у寲銆侀珮鏁堛佽妭鑳界殑鐓ф槑闇姹傦紝鐢ㄦ埛鍙互鏍規嵁涓嶅悓鐨勫満鏅拰浣跨敤鏃墮棿錛岄氳繃 0-10v 璋冨厜鎶鏈簿鍑嗗湴璋冭妭鐏厜浜害錛屽疄鐜拌妭鑳藉噺鎺掔殑鐩爣錛屼負鐜繚浜嬩笟璐$尞涓浠藉姏閲忥紝姣斿鍦ㄤ細璁錛屽彲鏍規嵁浼氳鍐呭鐨勪笉鍚岄渶姹傜伒媧昏皟鑺備寒搴︼紝鍦ㄤ笉闇瑕佸お浜厜綰挎椂閫傚綋璋冩殫錛屾棦婊¤凍鐓ф槑鍙堣兘鑺傝兘錛涘湪瀛︽牎鏁欏錛屼篃鍙牴鎹笉鍚岀殑鏁欏鏃舵榪涜浜害璋冩暣錛屽鍚堝疄闄呬嬌鐢ㄦ儏鍐碉紝璺佃緇胯壊鑺傝兘鐞嗗康銆?/p>

浜屻侀夋嫨瑕佺偣鍙傝?/h2>錛堜竴錛夊姛鐜囧強渚涚數鐩稿叧
鍦ㄩ夋嫨 0-10v 璋冨厜 led 鐏鏃訛紝鍔熺巼鍙婁緵鐢墊柟闈㈡槸闇瑕侀噸鐐硅冮噺鐨勫洜绱犮傞鍏堣渚濇嵁浣跨敤鍦烘櫙鏉ョ‘瀹氭墍闇鐨勫姛鐜囪寖鍥達紝濡傛灉鏄敤浜庡儚澶у瀷浼氳瀹ゃ佸睍鍘呮垨鑰呯敓浜ц濺闂寸瓑澶ч潰縐満鎵鐨勭収鏄庯紝寰寰闇瑕佽緝澶у姛鐜囩殑鐏鏉ヤ繚璇佸厖瓚崇殑浜害錛屽彲鑳藉崟鏀伅綆″姛鐜囪杈懼埌鍗佸嚑鐡︾敋鑷沖嚑鍗佺摝錛屽茍涓斿彲浠ラ噰鐢ㄥ涓伅綆$粍鍚堢殑鏂瑰紡錛屽埄鐢?0-10v 璋冨厜緋葷粺錛屾誨姛鐜囧彲楂樿揪 1500w錛屽疄鐜板ぇ鍔熺巼璋冨厜銆傝屽儚灞呭鐨勪功鎴褲佸崸瀹ょ瓑灝忕┖闂達紝鍔熺巼鐩稿灝忎竴浜涚殑鐏灝辮兘婊¤凍鐓ф槑闇姹備簡錛屼緥濡傚嚑鐡﹀埌鍗佸嚑鐡︾殑鐏銆?/p>
褰撴秹鍙婂ぇ鍔熺巼璋冨厜鏃訛紝瑕佹敞鎰忎緵鐢電數鍘嬬殑閫傞厤鎬э紝紜繚鎵閫夌敤鐨勭伅綆¤兘澶熷湪鐩稿簲鐨勭數鍘嬬幆澧冧笅紼沖畾宸ヤ綔銆備竴鑸父瑙佺殑渚涚數鐢靛帇鏈?220V錛屼笉榪囦篃鏈変簺鐗規畩鍦烘櫙涓嬶紝濡傚湪涓浜涙湁瀹夊叏瑕佹眰鐨勫噣姘村畨瑁呭尯鍩燂紝寤鴻閲囩敤浣庡帇鐨?12V銆?4V 鎴?36V 鐨?led 鐏錛岃繖鏍蜂細鏇村姞瀹夊叏鍙潬銆傛澶栵紝榪樿鍏蟲敞鐢墊簮鐨勮川閲忓拰紼沖畾鎬э紝浼樿川鐨勭數婧愯兘澶熶負鐏鎻愪緵鎸佺畫涓旂ǔ瀹氱殑鐢靛姏渚涘簲錛岄伩鍏嶅洜鐢靛帇娉㈠姩絳夐棶棰樺獎鍝嶇伅綆$殑璋冨厜鏁堟灉浠ュ強浣跨敤瀵垮懡錛屼繚闅滅収鏄庣殑騫崇ǔ鎬у拰鎸佷箙鎬с?/p>
錛堜簩錛夎皟鍏夎窛紱誨強甯冪嚎鑰冮噺
璋冨厜璺濈鍙婂竷綰挎儏鍐靛浜?0-10v 璋冨厜 led 鐏鐨勪嬌鐢ㄦ晥鏋滄湁鐫閲嶈褰卞搷銆傞氬父鏉ヨ錛岃皟鍏夊櫒涓庣伅鍏蜂箣闂村鏋滆窛紱昏繃闀匡紝瀹規槗鍑虹幇淇″彿浼犺緭闂浠ュ強鍘嬮檷闂銆傛瘮濡傦紝dc0-10v 椹卞姩鍏夋簮淇″彿綰塊暱搴︿竴鑸渶濂戒笉瑕佽秴榪?5m錛屽鏋滆秴榪囪繖涓窛紱伙紝淇″彿鍙兘浼氬嚭鐜拌“鍑忥紝瀵艱嚧璋冨厜鎺у埗涓嶇伒鏁忕敋鑷沖け鏁堛傚儚鍦ㄤ竴浜涘ぇ鍨嬬敓浜ц濺闂存垨鑰呭晢涓氬満鎵錛岃皟鍏夊櫒鍜岀伅綆$殑瀹夎浣嶇疆鍙兘鐩擱殧杈冭繙錛屽綋璺濈杈懼埌鍑犲崄綾蟲椂錛屽氨闇瑕侀噰鍙栫浉搴旀帾鏂戒簡銆?/p>
榪欐椂寤鴻浣跨敤瀵肩數鎬у己銆佺嚎寰勫ぇ鐨勭嚎鏉愶紝浠ユ鏈澶ч檺搴﹀噺灝戝帇闄嶉棶棰橈紝淇濊瘉淇″彿鑳借緝濂藉湴浼犺緭鍒扮伅綆$錛屽疄鐜版甯歌皟鍏夈傝鏄窛紱誨疄鍦ㄨ繃闀匡紝涓嶅緱宸茬殑鎯呭喌涓嬶紝榪樺彲浠ラ噰鐢ㄥ鍔犱俊鍙鋒斁澶у櫒鐨勫姙娉曟潵鎻愰珮浼犺緭璺濈銆傝屼笖錛屽竷綰垮伐紼嬩篃涓嶅蹇借錛岃繃澶氱殑榪炵嚎浼氬鍔犳柦宸ラ毦搴﹀拰鎴愭湰錛岃繕鍙兘褰卞搷鏁翠綋鐨勭編瑙傚害鍜屽畨鍏ㄦэ紝鎵浠ュ湪瑙勫垝瀹夎鏃訛紝瑕佹彁鍓嶈冭檻濂藉浣曞悎鐞嗗竷綰匡紝灝介噺鍑忓皯涓嶅繀瑕佺殑綰胯礬榪炴帴錛岃鏁翠釜璋冨厜緋葷粺綆媧佷笖楂樻晥鍦拌繍琛屻?/p>

錛堜笁錛変笌璋冨厜鎺у埗鍣ㄥ尮閰?/h3>
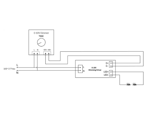
瑕佹兂璁?0-10v 璋冨厜 led 鐏鍙戞尌鍑鴻壇濂界殑璋冨厜鎬ц兘錛岀‘淇濆叾涓庤皟鍏夋帶鍒跺櫒鐨勫尮閰嶆槸鍏抽敭鎵鍦ㄣ傞鍏堬紝璋冨厜鐢墊簮蹇呴』閫傞厤鎵浣跨敤鐨?led 鐏錛屼袱鑰呭湪璋冨厜鎶鏈笂瑕佺浉浜掑吋瀹癸紝鍥犱負甯歌鐨勮皟鍏夋妧鏈湁鍓嶆部鍒囩浉璋冨厜銆佸悗娌垮垏鐩歌皟鍏夈?-10v 璋冨厜銆乨ali 璋冨厜絳夊縐嶇被鍨嬶紝鍙湁鐏鍜岃皟鍏夊櫒鏀寔鐩稿悓綾誨瀷鐨勮皟鍏夋柟寮忥紝鎵嶈兘姝e父榪涜璋冨厜鎿嶄綔銆?/p>
鍚屾椂錛岃皟鍏夋帶鍒跺櫒涓庤皟鍏夌數婧愩佺伅綆′箣闂寸殑榪炴帴涔熻鍚堢悊瑙勮寖銆傛瘮濡傦紝瑕佹寜鐓ф紜殑鎺ョ嚎鏂規硶錛屽皢鐏姝g‘鎻掑叆鐏駭鍚庯紝鎶婅皟鍏夋帶鍒跺櫒鐨勮緭鍑虹涓庣伅綆$殑璋冨厜杈撳叆绔浉榪炴帴錛屽茍涓旇紜繚榪炴帴鐗㈠浐銆佺嚎璺棤璇紝閬垮厤鍑虹幇铏氭帴絳夐棶棰樺獎鍝嶈皟鍏夋晥鏋溿傚彟澶栵紝榪樿鍏蟲敞璋冨厜鍣ㄧ殑棰濆畾鍔熺巼錛屽叾搴斿ぇ浜庢垨絳変簬鎵榪炴帴鐨勮皟鍏夌伅綆$殑鎬誨姛鐜囷紝浠ラ槻鍑虹幇榪囪澆銆佸彂鐑敋鑷蟲崯鍧忚澶囩殑鎯呭喌銆傝屼笖錛岀伅綆″拰璋冨厜鍣ㄧ殑宸ヤ綔鐢靛帇涔熷繀欏諱竴鑷達紝渚嬪鐏鏄?220V 宸ヤ綔鐢靛帇鏃訛紝璋冨厜鍣ㄤ篃瑕佹敮鎸?220V 杈撳叆鐢靛帇錛岃繖鏍鋒墠鑳戒繚闅滄暣涓皟鍏夌郴緇熺ǔ瀹氥佸崗璋冨湴宸ヤ綔錛屽疄鐜扮悊鎯崇殑璋冨厜鏁堟灉錛岄伩鍏嶅嚭鐜伴棯鐑併佷寒搴︿笉鍧囧寑絳夐棶棰樸?/p>
涓夈佷嬌鐢ㄦ敞鎰忎簨欏?/h2>錛堜竴錛夊畨瑁呯幆鑺傝鐐?/h3>
鍦ㄥ畨瑁?0-10v 璋冨厜 led 鐏鏃訛紝姝g‘鐨勬帴綰挎柟寮忚嚦鍏抽噸瑕侊紝榪欏叧涔庣伅綆¤兘鍚︽甯稿伐浣滀互鍙婁嬌鐢ㄥ鍛姐備竴鑸潵璇達紝甯歌鐨勬帴綰挎柟寮忔湁涓ょ榪涚嚎銆佸崟绔繘綰褲佷氦閿欒繘綰跨瓑銆備袱绔繘綰挎槸灝嗙伅澶寸殑涓ゆ牴閽堥兘鐭帴璧鋒潵錛岀劧鍚庢帴鍦ㄥ唴閮ㄧ殑鎭掓祦鐢墊簮涓婏紝榪欑鏂規硶鎺ョ嚎鏂逛究錛屾搷浣滅畝鍗曪紝閫傜敤浜庡ぇ澶氭暟 LED 鐏錛涘崟绔繘綰垮垯鏄?LED 鐏鐨勪竴绔笉鎺ョ嚎錛屽彟涓绔袱鏍歸拡鍒嗗埆寮曠嚎鍒版亽嫻侀┍鍔ㄧ數婧愪笂錛屾鎺ョ嚎鏂瑰紡鏇翠負瀹夊叏錛屽嵆渚夸竴绔帴鍏ヤ氦嫻佺數錛屽彟涓绔篃涓嶄細甯︾數錛涗氦閿欒繘綰垮 LED 鐏鍐呴儴椹卞姩鏈変竴瀹氳姹傦紝闇瑕佹湁涓よ礬浜ゆ祦榪涚嚎绔紝閫傜敤浜庣壒瀹氬瀷鍙風殑 LED 鐏錛屽吋瀹瑰縐嶇數瀛愰晣嫻佸櫒銆?/p>
鍦ㄥ疄闄呮搷浣滀腑錛屽姟蹇呰鍖哄垎濂界伀綰垮拰闆剁嚎錛岀伀綰塊氬父涓虹孩鑹層侀粦鑹叉垨媯曡壊錛岃岄浂綰塊氬父涓鴻摑鑹詫紝鍦扮嚎涓鑸槸榛勭豢鐩擱棿鐨勶紝涓昏鐢ㄤ簬瀹夊叏鎺ュ湴銆傚儚鍙岀 LED 鐏錛岀孩綰塊氬父鎺ョ伀綰匡紙L錛夛紝榛戠嚎鎺ラ浂綰匡紙N錛夛紱鍗曠 LED 鐏錛岀數婧愮嚎涓绔繛鎺ュ埌鐏鏍歸儴鐨?L 绔彛錛屽彟涓绔繛鎺ュ埌 N 绔彛銆傚悓鏃訛紝瑕佺‘淇濇帴綰跨墷鍥猴紝浣跨敤閫傚綋鐨勭粷緙樻潗鏂欙紝姣斿鐢靛伐鑳跺甫絳夊榪炴帴澶勮繘琛屼繚鎶わ紝闃叉鍑虹幇鐭礬鍜岃Е鐢電瓑鍗遍櫓鎯呭喌銆傚茍涓旓紝鍗冧竾涓嶈灝嗙伀綰垮拰闆剁嚎鎺ュ弽錛屽惁鍒欏緢鍙兘瀵艱嚧鐏鍐呴儴鐢佃礬鎹熷潖錛岀敋鑷沖紩鍙戠伀鐏劇瓑涓ラ噸鍚庢灉銆?/p>
鍙﹀錛屽浜庝笉鍚屽姛鐜囩殑鐏錛屼緵鐢電數鍘嬮傞厤鎬т篃寰楃暀鎰忋傚鏋滄槸鐢ㄤ簬鍍忓ぇ鍨嬩細璁銆佸睍鍘呮垨鑰呯敓浜ц濺闂寸瓑澶ч潰縐満鎵鐓ф槑鐨勫ぇ鍔熺巼鐏錛屽線寰闇瑕侀傞厤鐩稿簲鐨勯珮鐢靛帇錛屽父瑙佺殑渚涚數鐢靛帇鏈?220V錛屼笉榪囧湪涓浜涙湁鐗規畩瀹夊叏瑕佹眰鐨勫尯鍩燂紝濡傚噣姘村畨瑁呭尯鍩燂紝寤鴻閲囩敤浣庡帇鐨?12V銆?4V 鎴?36V 鐨?led 鐏錛岃繖鏍蜂細鏇村姞瀹夊叏鍙潬銆傝屼笖錛岀數婧愮殑璐ㄩ噺鍜岀ǔ瀹氭т篃涓嶅蹇借錛屼紭璐ㄧ殑鐢墊簮鑳藉涓虹伅綆℃彁渚涙寔緇笖紼沖畾鐨勭數鍔涗緵搴旓紝閬垮厤鍥犵數鍘嬫嘗鍔ㄧ瓑闂褰卞搷鐏鐨勮皟鍏夋晥鏋滀互鍙婁嬌鐢ㄥ鍛斤紝淇濋殰鐓ф槑鐨勫鉤紼蟲у拰鎸佷箙鎬с?img src="/../../upload/image/20241221/6387037849378248733250273.png" alt="0-10v璋冨厜寮鍏?png"/>
錛堜簩錛夋棩甯鎬嬌鐢ㄧ淮鎶?/h3>
鏃ュ父浣跨敤涓 0-10v 璋冨厜 led 鐏鍋氬ソ淇濆吇鍜岀淮鎶わ紝鍙互鏈夋晥寤墮暱鍏朵嬌鐢ㄥ鍛斤紝淇濋殰鐓ф槑璐ㄩ噺銆?/p>
棣栧厛錛岃瀹氭湡娓呮磥鐏錛屽洜涓虹伅綆′嬌鐢ㄦ椂闂翠箙浜嗕細縐瘡寰堝鐏板皹錛岃繖浼氬獎鍝嶅叾浣跨敤瀵垮懡鍜屼寒搴︼紝鏈濂芥瘡 3 涓湀宸﹀彸娓呮礂涓嬈?led 鐏銆傚湪娓呮磥鏃訛紝涓瀹氳鍏堝叧闂數婧愭婚榾闂紝闅忓悗鍘婚櫎鐏僵涓婄殑鐏板皹錛屽鏋滅伅緗╂槸綰稿竷銆佹湪澶村埗浣滅殑錛屽彲鐢ㄥ埛瀛愬幓闄ょ伆灝橈紱鑻ユ槸鐜葷拑絳夋潗鏂欏埗鎴愮殑錛屽垯鐢ㄦ姽甯冭交杞繪摝鎷紝娉ㄦ剰灝介噺涓嶈璁╃伅鍏鋒帴瑙﹀埌姘達紝鑻ヤ笉灝忓績紕板埌姘磋灝藉揩鎿﹀共錛岀伅鍏鋒渶濂戒笉瑕佺敤姘寸洿鎺ユ竻媧楋紝浠ュ共鎶瑰竷娌炬按鎿︽嫮鍗沖彲銆?/p>
鍏舵錛岃鍚堢悊鎺у埗鐏鐨勪嬌鐢ㄩ鐜囷紝灝介噺閬垮厤棰戠箒鍦板紑鍏崇伅鍏楓傚洜涓虹伅鍏峰湪棰戠箒鍚姩鐨勭灛闂達紝閫氳繃鐏笣鐨勭數嫻佸ぇ浜庢甯稿伐浣滄椂鐨勭數嫻侊紝浣垮緱鐏笣娓╁害鎬ュ墽鍗囬珮鍔犻熷崌鍗庯紝浠庤屼細澶уぇ鍑忓皯鍏朵嬌鐢ㄥ鍛姐傚彟澶栵紝涓嶅悓浣跨敤鍦烘櫙涓嬬殑鐏涔熸湁鐩稿簲淇濆吇瑕佺偣錛屾瘮濡傝鍦ㄥ帟鎵銆佹蕩瀹ょ殑鐏』瑁呮湁闃叉疆鐏僵錛岄槻姝㈡疆姘斿叆渚碉紝浠ュ厤鏃墮棿闀夸簡鍑虹幇閿堣殌鎹熷潖鎴栨紡鐢電煭璺殑鐜拌薄錛涜鍦ㄥ帹鎴跨殑鐏垯瑕佺壒鍒敞鎰忛槻娌圭儫錛屽洜涓烘補鍨㈢殑縐仛浼氬獎鍝嶇伅鐨勭収鏄庡害銆?/p>
榪樿鐣欐剰鐏鐨勫伐浣滅姸鎬侊紝鎸夋爣蹇楁彁渚涚殑鍏夋簮鍙傛暟鍙婃椂鏇存崲鑰佸寲鐨勭伅綆★紝涓鏃﹀彂鐜扮伅綆′袱绔彂綰€佺伅綆″彂榛戞垨鏈夐粦褰便佺伅綆¤煩涓嶄寒絳夋儏鍐墊椂錛屽簲鍙婃椂鏇存崲鐏錛岄槻姝㈠嚭鐜伴晣嫻佸櫒鐑у潖絳変笉瀹夊叏鐜拌薄銆傚悓鏃訛紝鍦ㄦ竻媧佺淮鎶ゆ椂涓嶈闅忔剰鏀瑰彉鐏鐨勭粨鏋勶紝涔熶笉瑕侀殢渚挎洿鎹㈠叾閮ㄤ歡錛岀粨鏉熷悗搴旀寜鍘熸牱灝嗙伅綆¤濂斤紝閬垮厤婕忚銆侀敊瑁呴浂閮ㄤ歡銆?/p>
姝ゅ錛岀伅綆$殑鏁g儹鎯呭喌涔熷鍏跺鍛藉獎鍝嶈緝澶э紝鍍忛儙鐗圭鎶鐨勪駭鍝侀噰鐢ㄤ簡閾濆悎閲戝澹崇瓑浼樿川鏉愯川錛屾湁鐫浼樿壇鐨勬暎鐑ц兘錛屼絾鍦ㄦ棩甯鎬嬌鐢ㄤ腑涔熷敖閲忎繚璇佸叾澶勪簬閫氶鑹ソ鐨勭幆澧冧腑錛岄伩鍏嶅懆鍥村瓨鍦ㄨ繃澶氶伄鎸″獎鍝嶆暎鐑紝浠庤岃鐏鍐呴儴鐨?LED 鍏夋簮鑳藉緇堝浜庝竴涓浉瀵歸傚疁鐨勫伐浣滄俯搴︾幆澧冿紝寤墮暱浣跨敤瀵垮懡銆?/p>