0-10v 璋冨厜鍘熺悊綆榪?/h2>
0-10v 璋冨厜鏄竴縐嶅父鐢ㄤ簬璋冨厜緋葷粺鐨勬ā鎷熺數鍘嬭皟鍏夋柟寮忥紝鍏跺師鐞嗘槸閫氳繃鏀瑰彉鐏叿杈撳叆鐨勭數鍘嬫潵鎺у埗鍏夌殑浜害銆傚綋杈撳叆鐢靛帇涓?10v 鏃訛紝鐏叿浼氳揪鍒版渶澶т寒搴︼紝灝卞鍚屽皢鐏厜寮鍒版渶浜殑鐘舵侊紱鑰屽綋杈撳叆鐢靛帇闄嶄綆鑷?0v 鏃訛紝鐏叿鍒欎細鍏抽棴錛岀伅鍏夐殢涔嬬唲鐏傚湪 0v 鍒?10v 榪欎釜鍖洪棿鍐咃紝閫氳繃璋冩暣杈撳叆鐢靛帇鐨勫叿浣撳ぇ灝忔暟鍊鹼紝鍙互瀹炵幇鐏叿鐨勮繛緇皟鍏夛紝浠ユ婊¤凍澶у鍦ㄤ笉鍚屽満鏅笅鐨勪釜鎬у寲鐓ф槑闇姹傦紝姣斿鍦ㄥ崸瀹や紤鎭椂鍙互璋冩殫鐏厜钀ラ犺垝閫傛皼鍥達紝鍦ㄤ功鎴垮伐浣滄椂鍒欏彲浠ヨ皟浜竴浜涗繚璇佸厖瓚崇収鏄庣瓑銆?/p>
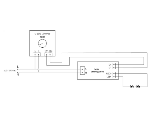
鍒嗕綋寮忕伅綆℃帴綰?/h3>
鍒嗕綋寮?0-10v 璋冨厜 led 鐏鍦ㄦ帴綰挎椂鏈夊崟绔氱數鍜屽弻绔氱數榪欎袱縐嶅父瑙佹儏鍐碉紝浠ヤ笅涓烘偍璇︾粏浠嬬粛鍏舵帴綰胯鐐瑰強娉ㄦ剰浜嬮」銆?/p>
鍗曠閫氱數鎺ョ嚎鏂規硶錛?a href="http://www.www.capetking.com/" target="_self">led 鐏鐨勪竴绔笉鎺ョ嚎錛屽彟澶栦竴绔袱鏍歸拡鍒嗗埆寮曠嚎鍒版亽嫻侀┍鍔ㄧ數婧愪笂錛屽茍涓斾袱涓伅澶翠箣闂存病鏈変換浣曠殑榪炴帴鍏崇郴銆傝繖縐嶆帴綰挎柟寮忔渶澶х殑濂藉灝辨槸瀹夊叏錛屽嵆渚跨伅綆′竴绔帴涓婁簡浜ゆ祦鐢碉紝鍙︿竴绔篃涓嶄細甯︾數銆傛瘮濡傚湪涓浜涘彧闇鍗曡竟渚涚數鐨勭収鏄庡満鏅腑錛岄噰鐢ㄥ崟绔氱數鎺ョ嚎灝辮兘寰堝ソ鍦版弧瓚抽渶姹傦紝鍚屾椂闄嶄綆浜嗘剰澶栬Е鐢電瓑瀹夊叏椋庨櫓銆?/p>
鍙岀閫氱數鎺ョ嚎鏂規硶錛歭ed 鐏鐏ご姣忎竴澶寸殑涓や釜閽堣剼鍐呴儴鏄垎鍒煭鎺ュ湪涓璧風殑錛屽綋浣滀竴涓數鏋佷嬌鐢紝閲嶇偣鏄彧闇瑕佷竴鏍歸拡閫氱數灝卞彲浠ヤ簡錛屽闈㈠啀鍒嗗埆鎺ョ數婧愮殑鐏嚎 L 鍜岄浂綰?N銆傛垜浠彲浠ラ氳繃涓囩敤琛ㄦ潵榪涜鍒ゆ柇錛屼袱澶寸煭璺椂鐢甸樆鍧囦負闆訛紝涓ょ涔嬮棿鐨勭數闃誨垯鐩稿杈冨ぇ銆傚湪鍍忎竴浜涢渶瑕佷袱绔悓鏃朵緵鐢墊潵淇濋殰鐏紼沖畾鍙戝厜錛屾彁渚涘潎鍖鐓ф槑鏁堟灉鐨勫満鎵錛屽杈冮暱鐨勭伅甯︽垨鑰呭ぇ鍨嬬殑鐓ф槑鍖哄煙絳夛紝鍙岀閫氱數鎺ョ嚎鏂瑰紡灝辨洿涓洪傜敤銆?/p>
涓嶈繃錛屾棤璁烘槸鍗曠閫氱數榪樻槸鍙岀閫氱數鎺ョ嚎錛岄兘闇瑕佹彁鍓嶅叧闂數婧愶紝闃叉鍦ㄦ帴綰胯繃紼嬩腑鍑虹幇瑙︾數鍗遍櫓銆傝屼笖鍦ㄦ帴綰垮畬鎴愬悗錛岃浠旂粏媯鏌ュ悇榪炴帴鐐規槸鍚︾墷鍥猴紝閬垮厤鍑虹幇鏉懼姩瀵艱嚧鎺ヨЕ涓嶈壇絳夐棶棰橈紝闅忓悗鍐嶉氱數嫻嬭瘯鐏鑳藉惁姝e父宸ヤ綔銆?/p>
涓浣撳寲鐏鎺ョ嚎
涓浣撳寲 0-10v 璋冨厜 led 鐏鎺ョ嚎鐩稿鏉ヨ杈冧負綆渚匡紝浠ヤ笅鏄叿浣撶殑鎺ョ嚎姝ラ鍜岀浉鍏寵鐐廣?/p>
棣栧厛錛屽皢鍘傚閰嶅鐨勬帴澶存彃鍏ョ伅澶村唴錛岃繖鏄緢鍏抽敭鐨勪竴姝ワ紝瑕佺‘淇濇帴澶存彃鍏ュ埌浣嶏紝淇濊瘉榪炴帴鐨勭ǔ鍥烘с傜劧鍚庯紝瀵逛簬鎺ョ嚎浣嶇疆錛岄氬父鏄妸榛勭豢綰挎帴鍦扮嚎錛屽叾瀹冧袱鏍圭嚎鍒嗗埆鎺ョ伀綰垮拰闆剁嚎鍗沖彲銆備竴鑸崟澶寸殑涓や釜鑴氬垎鍒帴闆剁嚎鍜岀伀綰匡紝榪欓噷瑕佹敞鎰忕殑鏄笉闇瑕侀晣嫻佸櫒鍜岃搗杈夊櫒錛堝氨鏄細闂儊鐨勯偅涓渾鏌變綋錛夛紝鑰屼笖鍍?t8 涓浣撳寲 led 鐏鍜?t5 涓浣撳寲 led 鐏鎺ョ嚎鍥炬槸涓鏍風殑錛屽畠浠竴鑸兘鏄?3 鏍圭嚎銆備緥濡傚湪瀹跺涵瀹ゅ唴鐓ф槑鎴栬呭皬鍨嬪晢涓氬満鎵鐨勭収鏄庣伅鍏蜂腑錛屽鏋滈噰鐢ㄧ殑鏄竴浣撳寲 led 鐏錛屾寜鐓ц繖鏍風殑鎺ョ嚎鏂瑰紡鎿嶄綔錛屽氨鑳借鐏姝e父鍙戝厜宸ヤ綔錛屼負絀洪棿鎻愪緵鍚堥傜殑鐓ф槑浜害銆?/p>
鍦ㄦ帴綰胯繃紼嬩腑錛屽悓鏍瘋鍏堝叧闂數婧愶紝騫朵笖浠旂粏鏍稿濂藉悇綰胯礬錛岄伩鍏嶆帴閿欙紝鎺ョ嚎瀹屾垚鍚庝篃瑕佽鐪熸鏌ワ紝闃叉鍑虹幇鐭礬絳夊紓甯告儏鍐碉紝淇濋殰浣跨敤瀹夊叏鍜岀伅綆$殑姝e父璋冨厜鍔熻兘銆?/p>

鎺ョ嚎娉ㄦ剰浜嬮」
鍦ㄨ繘琛?0-10v 璋冨厜 led 鐏鎺ョ嚎鏃訛紝浠ヤ笅榪欎簺娉ㄦ剰浜嬮」鎮ㄥ彲寰楃墷璁頒簬蹇冿細
鎶婃帶鎺у埗鍣ㄨ緭鍑虹數鍘嬭寖鍥?/h3>
棣栧厛瑕佺‘淇濊皟鍏夋帶鍒跺櫒鐨勮緭鍑虹數鍘嬭寖鍥村湪 0-10v 涔嬮棿錛岃繖鏄疄鐜版甯歌皟鍏夌殑鍩虹鏉′歡銆傚洜涓轟竴鏃﹁緭鍑虹數鍘嬭秴鍑鴻繖涓寖鍥達紝姣斿楂樹簬 10v錛屽彲鑳戒細浣跨伅鍏烽暱鏃墮棿澶勪簬榪囪澆鐘舵侊紝瀹規槗鎹熷潖鐏叿鐨勫唴閮ㄧ數璺厓浠訛紝緙╃煭鐏叿浣跨敤瀵垮懡錛涜岃嫢鐢靛帇浣庝簬 0v 鎴栬呰揪涓嶅埌鐩稿簲鐨勫惎鍔ㄧ數鍘嬭姹傦紝鐏叿鍒欏彲鑳芥棤娉曟甯哥偣浜紝涔熷氨娌″姙娉曞疄鐜拌皟鍏夊姛鑳戒簡銆備緥濡傚湪涓浜涘ぇ鍨嬩細璁浣跨敤 0-10v 璋冨厜 led 鐏榪涜鐓ф槑甯冪疆鏃訛紝濡傛灉鎺у埗鍣ㄨ緭鍑虹數鍘嬪紓甯革紝灝變細褰卞搷鏁翠釜浼氳鍦烘櫙鐨勭伅鍏夋皼鍥磋惀閫狅紝鐢氳嚦瀵艱嚧鐓ф槑鏁呴殰銆?/p>
涓ユ牸閬靛驚浜у搧璇存槑涔︽帴綰?/h3>
涓嶅悓鍨嬪彿銆佷笉鍚屾寮忕殑 0-10v 璋冨厜 led 鐏錛屽叾鎺ョ嚎鏂瑰紡鍙兘瀛樺湪宸紓銆傛湁鐨勭伅綆″彲鑳芥槸鍒嗕綋寮忚璁★紝鎺ョ嚎鏃惰鍖哄垎鍗曠閫氱數鍜屽弻绔氱數鐨勪笉鍚屾帴娉曪紱鑰屼竴浣撳寲鐏鍙堟湁鐫鑷繁鐗瑰畾鐨勬帴綰挎楠ゅ拰瑕佺偣銆傛墍浠ュ湪鎺ョ嚎鍓嶏紝鍔″繀浠旂粏鏌ョ湅浜у搧璇存槑涔︼紝涓ユ牸鎸夌収璇存槑涔︿笂鏍囨敞鐨勬帴綰挎柟娉曟潵鎿嶄綔銆傚儚閮庣壒縐戞妧鐢熶駭鐨勬煇浜涘瀷鍙風殑涓浣撳寲 0-10v 璋冨厜 led 鐏錛屽氨闇瑕佸厛灝嗗巶瀹墮厤澶囩殑鎺ュご鎻掑叆鐏ご鍐呭茍紜繚鎻掑叆鍒頒綅錛岀劧鍚庢寜鐓ч粍緇跨嚎鎺ュ湴綰匡紝鍏跺畠涓ゆ牴綰垮垎鍒帴鐏嚎鍜岄浂綰跨殑瑙勫垯鎺ョ嚎銆傝嫢涓嶄緷鐓ц鏄庝功鎺ョ嚎錛岄殢鎰忚繛鎺ョ嚎璺紝寰堝彲鑳藉嚭鐜扮伀綰垮拰闆剁嚎鎺ュ弽鐨勬儏鍐碉紝榪欎笉浠呬細浣跨伅鍏鋒棤娉曟甯歌皟鍏夛紝榪樺彲鑳介犳垚鍐呴儴鐢佃礬鎹熷潖錛屼弗閲嶆椂鐢氳嚦寮曞彂鐏伨絳夊畨鍏ㄤ簨鏁呫?/p>
淇濇寔鐏叿璋冨厜杈撳叆绔笌鐢墊簮鐨勫悎鐞嗚窛紱?/h3>
鐏叿鐨勮皟鍏夎緭鍏ョ鍜岀數婧愪箣闂村簲淇濇寔涓瀹氱殑璺濈錛岄伩鍏嶄袱鑰呰窛紱昏繃榪戜駭鐢熷共鎵幫紝榪涜屽鑷磋皟鍏夋晥鏋滀笉浣熾傛瘮濡傚湪涓浜涚┖闂存湁闄愮殑閰嶇數綆遍檮榪戝畨瑁?0-10v 璋冨厜 led 鐏鏃訛紝濡傛灉娌℃湁娉ㄦ剰榪欎釜璺濈闂錛岃皟鍏夋椂鍙兘浼氬嚭鐜扮伅鍏夐棯鐑併佷寒搴︿笉紼沖畾絳夌幇璞★紝褰卞搷姝e父鐨勭収鏄庝綋楠屽拰浣跨敤鏁堟灉銆?/p>
閬垮厤鐏叿榪囪澆浣跨敤
鍦ㄥ畨瑁呭拰浣跨敤榪囩▼涓紝瑕侀伩鍏嶇伅鍏瘋繃杞戒嬌鐢ㄣ傜伅鍏風殑鍔熺巼閮芥槸鏈変竴瀹氶瀹氬肩殑錛屽鏋滄帴鍏ョ殑鐢墊簮鍔熺巼榪囧ぇ錛岃秴鍑轟簡鐏叿鍙壙鍙楃殑鑼冨洿錛岄暱鏃墮棿涓嬫潵鐏叿灝卞鏄撳洜榪囩儹鑰屾崯鍧忓唴閮ㄧ殑鐢靛瓙鍏冧歡錛屽儚 led 鑺墖銆侀┍鍔ㄧ數婧愮瓑鍏抽敭閮ㄤ歡閮藉彲鑳借鐑у潖錛屼嬌寰楃伅鍏鋒棤娉曟甯稿伐浣溿傜浉鍙嶏紝鑻ョ數婧愬姛鐜囪繃灝忥紝鐏叿鍒欏彲鑳芥棤娉曡揪鍒版甯哥殑浜害錛屼篃娌″姙娉曞疄鐜版湁鏁堢殑璋冨厜鎿嶄綔銆備緥濡傚湪鍟嗕笟搴楅摵鐓ф槑涓紝鍚屾椂寮鍚繃澶氱殑 0-10v 璋冨厜 led 鐏錛岃岀數婧愭誨姛鐜囧嵈娌℃湁涓庝箣鍖歸厤錛屽氨瀹規槗鍑虹幇鐏叿榪囪澆鐨勯棶棰橈紝褰卞搷搴楅摵鐨勬甯哥収鏄庝互鍙婄伅鍏夋皼鍥磋惀閫犮?/p>
鎬諱箣錛屽彧鏈夊湪鎺ョ嚎榪囩▼涓厖鍒嗙暀鎰忚繖浜涙敞鎰忎簨欏癸紝鎵嶈兘紜繚鎺ョ嚎瀹夊叏錛屽悓鏃惰 0-10v 璋冨厜 led 鐏鍙戞尌鍑鴻壇濂界殑璋冨厜鏁堟灉錛屾弧瓚沖悇縐嶄笉鍚屽満鏅笅鐨勭収鏄庨渶姹傘?/p>

鐏叿涓庣數婧愬尮閰嶈鐐?/h2>
鍦ㄤ嬌鐢?0-10v 璋冨厜 led 鐏鏃訛紝鐏叿涓庣數婧愮殑鍖歸厤鏄嚦鍏抽噸瑕佺殑涓鐐癸紝鐗瑰埆鏄數婧愬姛鐜囧拰鐏叿鎬誨姛鐜囩殑鍖歸厤鎯呭喌錛岀洿鎺ュ獎鍝嶇潃鐏叿鑳藉惁姝e父宸ヤ綔浠ュ強鍏朵嬌鐢ㄥ鍛界瓑銆?/p>
浠庡師鐞嗕笂鏉ヨ錛岀伅鍏風殑鍔熺巼鍜岀數婧愮殑鍔熺巼搴旇鐩鎬簰鍖歸厤錛岃繖鏍鋒墠鑳戒繚璇佺伅鍏鋒甯稿伐浣溿傚鏋滅數婧愮殑鍔熺巼榪囧ぇ錛屽彲鑳戒細瀵艱嚧鐏叿鐭礬鎴栬繃鐑紝鐢氳嚦鎹熷潖鐏叿銆傚洜涓鴻繃澶х殑鐢墊簮鍔熺巼鎰忓懗鐫鍙兘浼氭湁榪囧ぇ鐨勭數嫻侀氳繃鐏叿錛屽浜?LED 鐏岃█錛孡ED 鐏殑浜害鍜屽鍛戒笌椹卞姩鐢墊祦鐩存帴鐩稿叧錛岃繃澶х數嫻佷細鍔犻?LED 鐏殑鑰佸寲錛屽獎鍝嶅叾瀵垮懡錛屽儚 LED 鑺墖銆侀┍鍔ㄧ數婧愮瓑鍏抽敭閮ㄤ歡閮藉彲鑳藉洜闀挎椂闂磋繃鐑岃鐑у潖錛屼嬌寰楃伅鍏鋒棤娉曟甯稿伐浣溿備緥濡傚湪涓浜涘晢涓氬簵閾虹収鏄庝腑錛岃嫢鎺ュ叆鐨勭數婧愬姛鐜囪繙瓚呯伅鍏峰彲鎵垮彈鑼冨洿錛屽悓鏃跺紑鍚繃澶氱殑 0-10v 璋冨厜 led 鐏鏃訛紝灝卞鏄撳嚭鐜扮伅鍏瘋繃杞芥崯鍧忕殑闂錛屽獎鍝嶅簵閾虹殑姝e父鐓ф槑浠ュ強鐏厜姘涘洿钀ラ犮?/p>
鑰屽鏋滅數婧愮殑鍔熺巼榪囧皬錛屽彲鑳戒細瀵艱嚧鐏叿浜害闄嶄綆錛屽獎鍝嶄嬌鐢ㄦ晥鏋滐紝涔熸病鍔炴硶瀹炵幇鏈夋晥鐨勮皟鍏夋搷浣滐紝姣斿鐏叿鏃犳硶杈懼埌姝e父鐨勪寒搴︾瓑鎯呭喌鍑虹幇銆?/p>
鎵浠ワ紝鍦ㄩ夋嫨鐢墊簮鏃訛紝涓鑸潵璇寸數婧愮殑鍔熺巼搴旂暐澶т簬鐏叿鐨勯瀹氬姛鐜囷紝浣嗕笉鑳借繃澶с傚悓鏃惰繕瑕佽冭檻鐢墊簮鐨勭數鍘嬨佺數嫻佸拰紼沖畾鎬х瓑鍥犵礌錛岀數婧愮殑杈撳嚭鐢靛帇搴旇涓庣伅鍏風殑棰濆畾鐢靛帇鐩稿尮閰嶏紝杈撳嚭鐢墊祦涔熷簲涓庣伅鍏風殑棰濆畾鐢墊祦鐩稿尮閰嶏紝騫朵笖鐢墊簮瑕佸叿澶囩ǔ瀹氱殑杈撳嚭鐢靛帇鍜岀數嫻侊紝榪欐牱鎵嶈兘淇濊瘉鐏叿鐨勬甯稿伐浣溿?/p>
涓嶈繃錛屽浜庡緢澶氫嬌鐢ㄨ呮潵璇達紝鍑嗙‘鎶婃彙鐢墊簮涓庣伅鍏風殑鍖歸厤騫墮潪鏄撲簨銆傚洜姝わ紝寤鴻澶у鍦ㄨ喘涔拌皟鍏夌伅鍏鋒椂錛屽挩璇笓涓氫漢澹垨鑰呯洿鎺ヨ仈緋婚儙鐗圭鎶鐨勫伐浣滀漢鍛橈紝璁╀笓涓氫漢鍛樺府蹇欐妸鍏籌紝紜繚閫夋嫨鍒板悎閫傜殑鐢墊簮錛屼繚闅滅伅鍏峰彲浠ユ甯鎬嬌鐢紝鍏呭垎鍙戞尌鍏?0-10v 璋冨厜鍔熻兘錛屾弧瓚沖悇縐嶄笉鍚屽満鏅笅鐨勭収鏄庨渶姹傘?/p>