璋冨厜led絳掔伅瀹夎璁よ瘉瑕佹眰
led絳掔伅鏈夌潃涓ユ牸鐨勫畨瑙勮姹傘傛垜鍥界殑3C璁よ瘉銆佹鐩?CE 璁よ瘉絳夐兘瀵?EMC 銆?PF 浣滀簡鍏蜂綋鐨勮瀹氾紝嬈х洘姝e紡鍙戝竷瀹氬悜鐏拰 LED 鐏強鍏剁浉鍏寵澶囩殑 ErP 瀹炴柦鎺柦銆傚叾涓?C璁よ瘉瑕佹眰鐏叿蹇呴』閫氳繃 EMC 鎻掑叆鎹熻椼?EMC 绔瓙楠氭壈鐢靛帇銆?EMC 杈愬皠鐢電楠氭壈銆?EMC 璋愭嘗絳夋祴璇曞茍絎﹀彿瑕佹眰銆?/p>
>( EU )NO1194/2012銆婂叧浜庡畾鍚戠伅銆?LED 鐏強鐩稿叧璁懼鐢熸佽璁¤姹傜殑瀹炴柦鎺?span style="text-wrap: wrap;">鏂姐嬨?/span>
> LED 絳掔伅鐢墊簮瑕侀夋嫨閫氳繃3C鎴?CE 璁よ瘉鐨勭數婧愶紝鍚屾椂瑕侀夋嫨鏁堢巼楂樸?PF 鍊肩殑鐢墊簮銆?br/>
緹庡浗寮哄埗鐨?FCC 鍜屾境媧茬殑 C - TICK 錛屾槸鎸?EMC 涓?EMS 璁よ瘉錛?CE 璁よ瘉鍖呮嫭 EMC 鍜?LVD 銆?/p>
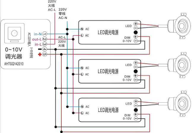
LED 璋冨厜絳掔伅灝辨槸灝嗙數婧愭洿鎹負璋冨厜鐢墊簮錛岃娉ㄦ剰 LED 璋冨厜絳掔伅鍦ㄨ皟鍏夋椂鏄惁闂儊錛屾槸鍚﹀吋瀹規櫤鑳借皟鍏夌郴緇熴?LED 璋冨厜絳掔伅紼沖畾鎬у拰鍏煎鎬уソ錛岃皟鍏夋棤闂儊錛岃繕瑕佸吋瀹硅礬鍒涖侀偊濂囥?ABB 銆佸揩鎬濊仾銆佹案鏋椼佹渤涓滅瓑絳夊悇綾昏皟鍏夌郴緇熴?LED 璋冨厜絳掔伅璋冨厜紺烘剰鍥懼鍥炬墍紺恒?LED 璋冨厜絳掔伅璋冨厜鐢墊簮鍙吋瀹瑰墠娌挎柀娉㈣皟鍏夊櫒鍜屽悗娌挎柀娉㈣皟鍏夊櫒銆?/p>
鍦ㄧ數鍘?20V棰戠巼50Hz鐨勪氦嫻佺數婧愭潯浠朵笅錛岃皟鍏夊櫒璋冭嚦鏈澶ц皟鑺傜姸鎬侊紝浜у搧搴斿畬鍏ㄦ弧瓚矯QC3128-2013銆?LED 絳掔伅鑺傝兘璁よ瘉鎶鏈鑼冦嬬殑鍚勯」瑕佹眰銆傝皟鍏夌姸鎬佷笅鐨勫厜閫氶噺搴斿湪鏍囩О鑼冨洿鍐呰繛緇彲璋冩垨鍧囧寑鍙皟錛涗駭鍝佸湪璋冨厜榪囩▼涓紝搴旇兘淇濇寔姝e父宸ヤ綔鐘舵侊紝涓嶅厑璁稿嚭鐜扮唲鐏殑鎯呭喌銆?/p>

娉ㄦ剰浜嬮」錛?/p>
鍦ㄨ緭鍏ョ浜ゆ祦鐩哥嚎錛?L 錛夊墠涓叉帴鏅墮椄綆¤皟鍏夊櫒錛屽嵆鍙皟鑺傜數婧愯緭鍑烘亽鐢墊祦鏁板箋傝灝介噺浣跨敤鍔熺巼灝忎竴浜涚殑璋冨厜鍣紝浠ヨ幏寰楁洿瀹界殑璋冨厜鑼冨洿銆傚ぇ鍔熺巼璋冨厜鍣ㄥ緢闅懼疄鐜拌緭鍑虹數嫻佽皟鍒伴浂銆?/p>
鏅鴻兘涓浣撳寲璋冨厜璋冭壊娓﹍ed絳掔伅閲囩敤2.4G楂橀鏃犵嚎寰Е鎸夐敭閬ユ帶鎺у埗錛屽叿鏈夊姛鑰椾綆銆佷紶杈撹窛紱昏繙銆佺┖涓氫俊閫熺巼楂橈紝鎶楀共鎵版ф洿寮猴紝紼沖畾鎬ф洿楂樺拰鐏綋鍝嶅簲涓鑷存у緢濂界瓑鐗圭偣錛涢仴鎺у櫒澶栧艦鏃跺皻緹庤錛屽姛鑳藉疄鐢ㄧ畝鍗曪紱閲囩敤鐩墠鏈鍏堣繘鐨?PWM 錛堣剦瀹借皟鍒訛級鎺у埗鎶鏈紱鏃犵嚎鐢靛彂灝勯鐜囦負2400~2483.5MHz(2.4G)錛屽叏鐞冮氱敤錛涢仴鎺ц窛紱?0~30m銆傚叿鏈夎皟鍏夈佽皟鑹叉俯銆佸皬澶滅伅妯″紡絳夌瓑鍔熻兘錛涘湪閬ユ帶鑼冨洿鍐咃紝涓涓仴鎺у櫒鍙互鎺у埗鏃犳暟涓?LED 鐏紝鑰屼笖鍚屾鎬с佷竴鑷存у緢濂姐傚皢涓嶅悓鐨勭伅鍒嗗埌涓嶅悓鐨勭粍錛屾渶澶氬垎4緇勶紝鑷敱鍒嗙粍錛屽悓鏃舵帶鍒舵垨鍒嗗埆鎺у埗錛屽湪瀹屾垚 LED 鐏拰閬ユ帶鍣ㄧ殑緋葷粺瀵圭爜鍖歸厤鍜屽垎緇勫畬鎴愬悗錛屽氨鍙互瀹炵幇鍚勭鍔熻兘鐨勬棤綰挎帶鍒躲?/p>

璋冨厜led絳掔伅鎺ョ嚎鍥?/p>